RF-HZMTY100M-112/2K
高频读写器

产品特点
采用13.56MHz的工作频率,支持ISO15693和ISO14443A协议,通讯方式可选择RS485或以太网 ,支持MODBUS RTU、CAN OPEN协议,便于集成
黄铜镀镍外壳、IP67防护等级,可适用于油污、粉尘、潮湿、盐雾的恶劣工况
电源带过流过压保护和滤波功能,能适用恶劣的电磁干扰环境
采用2个螺母进行固定,尺寸小巧多样,适用于对尺寸要求比较高,精密制造环节的自动识别场景
| 产品型号 | RF-HM18RA-R4 | RF-HM18RA-R2 | RF-HM18RA-IOL |
| 产品尺寸 | ![]() | ||
| 无线协议 | ISO15693/ISO14443A | ||
| 工作频率 | 13.56MHz | ||
| 输出功率 | 27.5dBm | ||
| 无线速度 | 26.48Kbit/s | ||
| 读取距离 | 0~60mm(与载码体有关) | ||
| 通讯接口 | RS485 | RS232 | IOLink |
| 通讯协议 | MODBUS RTU | IOLink V1.1 | |
| 通讯速率 | 9600~115200bit/s | 230kbps | |
| 电源电压 | 9~30VDC | ||
| 平均电流 | <0.07A@24VDC | ||
| 指示灯 | 1个LED指示灯 | ||
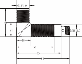
| 外形尺寸 | M18*41*75mm | ||
| 产品接口 | M12 Acode 4PIN 公头 | ||
| 固定类型 | 螺母固定,螺牙M18*1.0 | ||
| 外壳材料 | 黄铜镀镍+ABS | ||
| 壳体颜色 | 银色+黑色 | ||
| 整机重量 | 30g | ||
| 工作温度 | ~25℃~+70℃ | ||
| 存储温度 | ~25℃~+85℃ | ||
| 湿度 | 5%~95%RH(无凝露) | ||
| 防水防尘等级 | IP67,EN 60529 | ||
| 抗振动 | 2 mm (f= 5…29.5 Hz ) ,EN 60068-2-6 7 gn (f= 29.5…150 Hz) ,EN 60068-2-6 | ||
| 传导抗扰度(CS) | 3V,过A级(含主频) 10V,过A级(主频除外) | ||
| 静电放电抗扰度ESD | 接触放电, 8KV,过A级 空气放电, 15KV,过A级 IEC61000-4-2 | ||
| CE | ETSI EN 301 489-3,ETSI EN 300 330-1, ETSI EN 301 489-1,ETSI EN 300 330-2 | ||
| ROHS指令 | 2011/65/EU,2015/863/EU | ||

适用领域
Field of application
3C
新能源
半导体
制药
工程机械
汽车
军工
轨道交通
典型案例
Typical case
在制品/工装治具/夹具/辅件等加装或嵌入RFID载码体,在自动化节点的工位上部署RFID读写设备,通过和在制品的交互,实现多品种、大规模的生产方式,实现单品级产品的自动实时识别,自动串联自动化设备和机器人,实现工艺个性化传输,参数自动化定义,设备自动化检测等场景。
© 2025 湖南哈博智能技术有限公司 版权所有湘ICP备2021006165号-1