RF-HZMTC4022-112/2K

特殊载码体

产品简介

特殊高频标签拥有耐高温,定制化等特殊属性专用于特殊行业定制,常用于载具托盘需经过高温工艺环节的场景。



我要咨询

欢迎拨打服务热线:400-788-0086 !

  • 产品参数
  • 适用领域及案例
  • 下载
  • CAD/CAE模型
     产品型号RF-HZMTZ52T-112RF-HZMTY700-112RF-HZMTC4022-112RF-HZMTC4022-2KRF-HZMTC4022M-112RF-HZMTC4022M-2K
    产品尺寸165125143.png165129323.png165133103.png165137666.png
    工作频率13.56MHz13.56MHz13.56MHz13.56MHz
     空口协议ISO 15693ISO 15693ISO 15693ISO 15693
     读取距离0~110mm(与读写器及安装方式有关)0~30mm(与读写器及安装方式有关)0~80mm(与读写器有关)0~55mm(与读写器有关)
     用户内存112  bytes112  bytes112  bytes2000  bytes112  bytes2000  bytes
     内存类型EEPROMEEPROMEEPROMFRAMEEPROMFRAM
     擦写次数10万次10万次10万次100亿次10万次100亿次
    数据保存时间10年10年10年10年
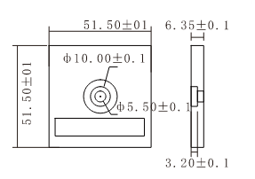
     尺寸51.5*51.5*6.35mmΦ70*1.6mm40*22*4.8mm40*22*4.8mm
     外壳材料PPSFR4PPSPPS
     固定方式螺丝固定螺丝固定螺丝固定螺丝固定
     IP等级IP68IP67IP68IP68
     工作温度-25°C~70℃-25°C~70℃-40°C~70℃-40°C~70℃
     存储温度-40°C~200℃-40°C~105℃-40°C~150℃-40°C~85℃
     金属抗性不抗金属不抗金属不抗金属金属表面


        © 2025 湖南哈博智能技术有限公司 版权所有湘ICP备2021006165号-1